欢迎登陆【英国正版365官方网站】官方网站!
英国正版365官方网站

15906151243

3 条记录 1/1 页
概述
       PAM加药装置由溶解箱、若干管道、阀门等组成。配置计量泵分为使用和备用的,这样方便用户在不停机的状态下进行检修、替换配件。 本装置主要部件有:
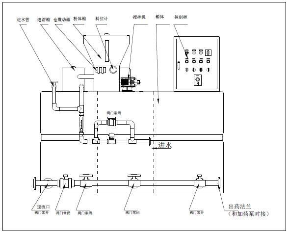
       溶解箱、搅拌机、计量泵、管道过滤器、回流管道及吸药管道及吸药管道,出药管道、溶解箱溢流管、放空管及必要的管道阀门和配件、安全所需的管件及阀门。

产品特点
       1、投加准确,调节方便。
       2、运行稳定可靠,故障率低,维护费用少。
       3、两箱式配药,药液浓度稳定,活性高
       4、料斗中干粉料位低时,发出声、光报警信号提醒操作人员加料。
       5、可选:液态聚合物进料功能。
       6、可选:真空上料机、干投机。
       7、可选:在线预稀释系统/静态混合器。
       8、槽体材质可选:不锈钢SS304、SS316L或PE。
       9、操作简单、维护方便,使用寿命长。
       10、占地面积少,投资省、劳动强度低。
       11、具有缺药报警、联动启停机功能。
       12、在保证达到水质的情况下,混凝剂的消耗量降低15%以上。

设备配置说明
标准配置 9、进水流量计(管式)
1、三腔式预调、熟化、成药箱体 10、进水电磁阀
2、干粉投加箱 11、管阀件组合
3、干粉速溶装置 12、控制箱子(本地控制含远程控制接口)
4、手调式干粉加药器 可选配置
5、干粉仓振动器 1、药粉加热装置
6、干粉断料报警器 2、进水电磁流量计
7、混合搅拌机 3、高浓度液态稀释系统
8、成药液位控制器 4、药液投加泵
 
外形示意图

技术参数表
型号 泡药量 (L/H) 箱体有效总体积 (m3 总功率 (kw)
1000 1000 1.5 2
1500 1500 2 2.8
2000 2000 2.5 2.8
2500 2500 3 3.85
3000 3000 3.5 3.85
3500 3500 4 3.85
4000 4000 4.5 5.05

英国正版365官方网站

联系人:史经理 15906151243

联系人:邵经理 15301530861

电   话:0510-87830610

传   真:0510-87831340

网   址:www.hopehb.com

邮   箱:hopehb@126.com

地   址:宜兴市高塍镇塍文路18号

Copy right © 2020 英国正版365官方网站-正版Application program 版权所有 网站制作无锡网科 备案号:苏ICP备14012459号 苏公网安备32028202232134号
展开