15906151243
产品系列
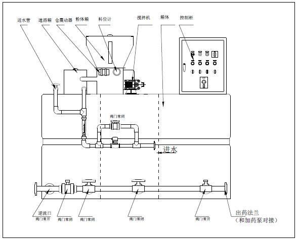
| 标准配置 | 9、进水流量计(管式) |
| 1、三腔式预调、熟化、成药箱体 | 10、进水电磁阀 |
| 2、干粉投加箱 | 11、管阀件组合 |
| 3、干粉速溶装置 | 12、控制箱子(本地控制含远程控制接口) |
| 4、手调式干粉加药器 | 可选配置 |
| 5、干粉仓振动器 | 1、药粉加热装置 |
| 6、干粉断料报警器 | 2、进水电磁流量计 |
| 7、混合搅拌机 | 3、高浓度液态稀释系统 |
| 8、成药液位控制器 | 4、药液投加泵 |

| 型号 | 泡药量 (L/H) | 箱体有效总体积 (m3) | 总功率 (kw) |
| TBAD 1000 | 1000 | 1.5 | 2 |
| TBAD 1500 | 1500 | 2 | 2.8 |
| TBAD 2000 | 2000 | 2.5 | 2.8 |
| TBAD 2500 | 2500 | 3 | 3.85 |
| TBAD 3000 | 3000 | 3.5 | 3.85 |
| TBAD 3500 | 3500 | 4 | 3.85 |
| TBAD 4000 | 4000 | 4.5 | 5.05 |
联系人:史经理 15906151243
联系人:邵经理 15301530861
电 话:0510-87830610
传 真:0510-87831340
网 址:www.hopehb.com
邮 箱:hopehb@126.com
地 址:宜兴市高塍镇塍文路18号
苏公网安备32028202232134号